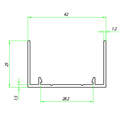
vitris Robustus | Artikelnummer: 5002630 (6101105000)

***Robustus Schiebetürsystem, Rahmenprofil, ungebohrt

Produktdetails ansehen