vitris Robustus | Artikelnummer: 5002619 (6100205000)

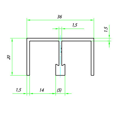
***Robustus Schiebetürsystem, obere Doppel-U-Führungsschiene, samtiert

Produktdetails ansehen
bis 12,76 mm Glasdicke, ungebohrt