Terrassenprofile | Artikelnummer: 4000701 (505011)

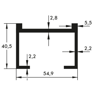
friTech® -Terrassenprofil 54,9 x 40,5 mm, Lagerlänge 6000 mm

Produktdetails ansehen
mit Bohrungen für Wasserablauf.