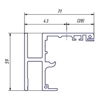
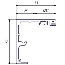
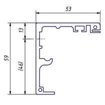
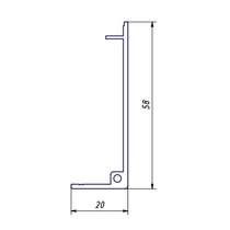
Einzelteile (...)

22 von 22 Produkten

Webshop Tag bei Fritsche