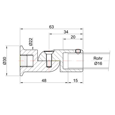
Wandhalter | Artikelnummer: 6009170 (608451)

fri-line® beweglicher Wandanschluß 180°, für Stabistangen Ø 16 mm

Produktdetails ansehen