Einzelteile
| Artikelnummer:
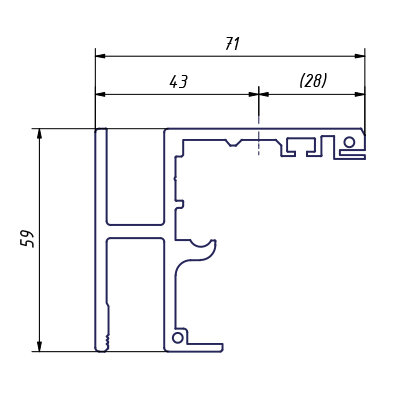
6009794 (626030)
*** vitris Portavant M 50 / M 80 Laufschiene für Deckenmontage mit Seitenteilaufnahme
Produktdetails ansehenZubehör extra bestellen:
Blende für Decken-/Wand-/Fixteilmontage 626055
Endkappenset Deckenmontage mit Fixteil 626284
Abdeckprofil für Nut in der Blende 617545
Blende für Decken-/Wand-/Fixteilmontage 626055
Endkappenset Deckenmontage mit Fixteil 626284
Abdeckprofil für Nut in der Blende 617545